
普瑞斯精密交叉圆柱滚子轴承内部结构采用滚子呈90°相互垂直交叉排列,结构紧凑,可同时承受径向载荷、双向推力载荷以及倾覆力矩。同时具有高刚性,所以适用于工业用机器人的关节部位或旋转部位、机械加工中心的旋转工作台、机械手旋转部位、精密旋转工作台、医疗机器、计量器、IC制造装置等设备。
普瑞斯精密交叉圆柱滚子轴承有带保持架、带间隔保持器和满装滚子三种结构形式,其中带保持架、带间隔保持器的适用于摩擦力矩小转速高的工况,满装滚子的适用于低速重载的工况。
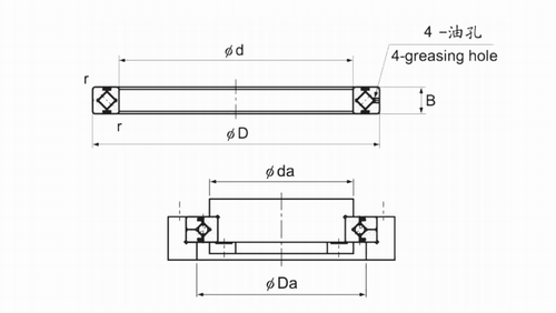
CRBH-A系列内、外圈都是一体结构,适用于外圈和内圈旋转。CRBH-A系列有CRBH.A(开式)和RBH.AUU(双端面密封)两神结构类型。






