
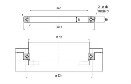
公称型号 |
基本尺寸 |
肩部尺寸 |
基本额定负荷 |
重量 |
公称型号 |
|||||||
内径 |
外径 |
节圆 |
宽度 |
油孔 |
倒角 |
ds |
Dh |
C |
Co |
kg |
||
RAU 1005 |
10 |
21 |
14.7 |
5 |
1 |
0.15 |
12.5 |
17 |
1.12 |
0.8 |
0.009 |
RAU 1005 |
RAU 1505 |
15 |
26 |
19.7 |
5 |
1 |
0.15 |
17.5 |
22 |
1.32 |
1.1 |
0.012 |
RAU 1505 |
RAU 2005 |
20 |
31 |
24.7 |
5 |
1 |
0.15 |
22.5 |
27 |
1.49 |
1.4 |
0.015 |
RAU 2005 |
RAU 3005 |
30 |
41 |
34.7 |
5 |
1 |
0.15 |
32.5 |
37 |
1.89 |
2.14 |
0.021 |
RAU 3005 |
RAU 4005 |
40 |
51 |
44.7 |
5 |
1 |
0.15 |
42.5 |
47 |
2.14 |
2.74 |
0.027 |
RAU 4005 |
RAU 5005 |
50 |
61 |
54.7 |
5 |
1 |
0.15 |
52.5 |
57 |
2.43 |
3.49 |
0.032 |
RAU 5005 |
RAU 6005 |
60 |
71 |
64.7 |
5 |
1 |
0.15 |
62.5 |
67 |
2.63 |
4.09 |
0.038 |
RAU 6005 |
RAU 7005 |
70 |
81 |
74.7 |
5 |
1 |
0.15 |
72.5 |
77 |
2.81 |
4.68 |
0.044 |
RAU 7005 |
RAU 8005 |
80 |
91 |
84.7 |
5 |
1 |
0.15 |
82.5 |
87 |
3.05 |
5.43 |
0.050 |
RAU 8005 |
RAU 9005 |
90 |
101 |
94.7 |
5 |
1 |
0.15 |
92.5 |
97 |
3.19 |
6.03 |
0.056 |
RAU 9005 |
RAU 10005 |
100 |
111 |
| |||||||||




