
普瑞斯精密交叉圆柱滚子轴承内部结构采用滚子呈90°相互垂直交叉排列,结构紧凑,可同时承受径向载荷、双向推力载荷以及倾覆力矩。同时具有高刚性,所以适用于工业用机器人的关节部位或旋转部位、机械加工中心的旋转工作台、机械手旋转部位、精密旋转工作台、医疗机器、计量器、IC制造装置等设备。
普瑞斯精密交叉圆柱滚子轴承有带保持架、带间隔保持器和满装滚子三种结构形式,其中带保持架、带间隔保持器的适用于摩擦力矩小转速高的工况,满装滚子的适用于低速重载的工况。
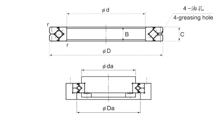
RB系列为交叉圆柱滚子轴承的基本类型.内、外形尺寸被小型化,其结构是外圈可分离,内圏一体设计,适用于要求内圈旋转精度高的部位.RB系列有RB(开式)和RB...UU(双端面密封)







