
普瑞斯精密交叉圆柱滚子轴承内部结构采用滚子呈90°相互垂直交叉排列,结构紧凑,可同时承受径向载荷、双向推力载荷以及倾覆力矩。同时具有高刚性,所以适用于工业用机器人的关节部位或旋转部位、机械加工中心的旋转工作台、机械手旋转部位、精密旋转工作台、医疗机器、计量器、IC制造装置等设备。
普瑞斯精密交叉圆柱滚子轴承有带保持架、带间隔保持器和满装滚子三种结构形式,其中带保持架、带间隔保持器的适用于摩擦力矩小转速高的工况,满装滚子的适用于低速重载的工况。
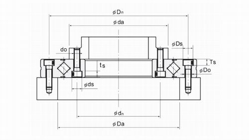
RU系列由于已进行了安装孔的加工,就不需要固定法兰和支撑座.另外,由于采用带座的一体化内外圈结构,安装时对性能几乎没有影响,因此能够获得稳定的旋转精度和扭矩.适用于外圏和内圏旋转。
RU系列有RU(开式)、RU...UU(双端面密封)、RUT、RUA和RUB等多种结构类型,同时普瑞斯也可根据客户的要求提供RU...(单端面密封)。








