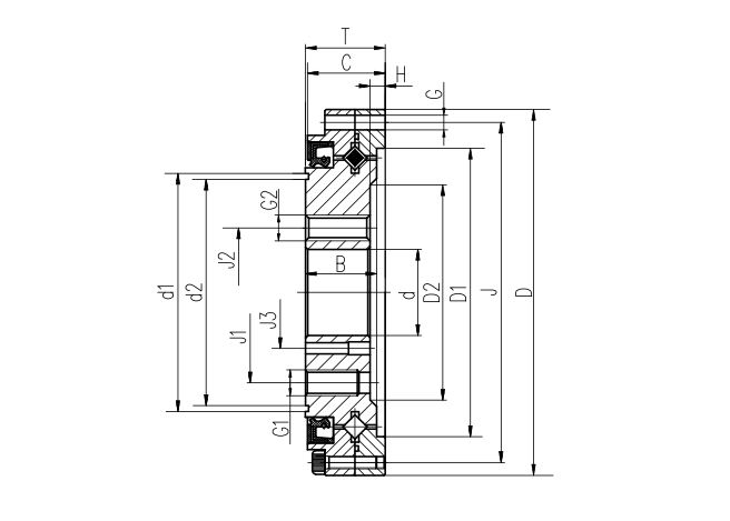
谐波减速器用交叉滚子轴承CSG(CSF)型是一种具有特殊安装形式的交叉圆柱滚子轴承。
结构:外圈分体、内圈整体
谐波减速器用交叉滚子轴承CSG(CSF)型为外圈被分成两片,内圈为整体结构,安装时不需要法兰和轴承座,主要应用在CSG和CSF系列的各类减速器输出部位。




联系人:原经理
手机:135-0379-0601
传真:0379-64595057
地址:河南省洛阳市涧西区天津南路土桥沟村1组1号
乘车路线:可驾车前往
谐波减速器用交叉滚子轴承CSG(CSF)型是一种具有特殊安装形式的交叉圆柱滚子轴承。
结构:外圈分体、内圈整体
谐波减速器用交叉滚子轴承CSG(CSF)型为外圈被分成两片,内圈为整体结构,安装时不需要法兰和轴承座,主要应用在CSG和CSF系列的各类减速器输出部位。



